Ваш город: Москва
Представительства
Поставки компонентов
для промышленной автоматизации,
электротехники, энергетики, КИПиА

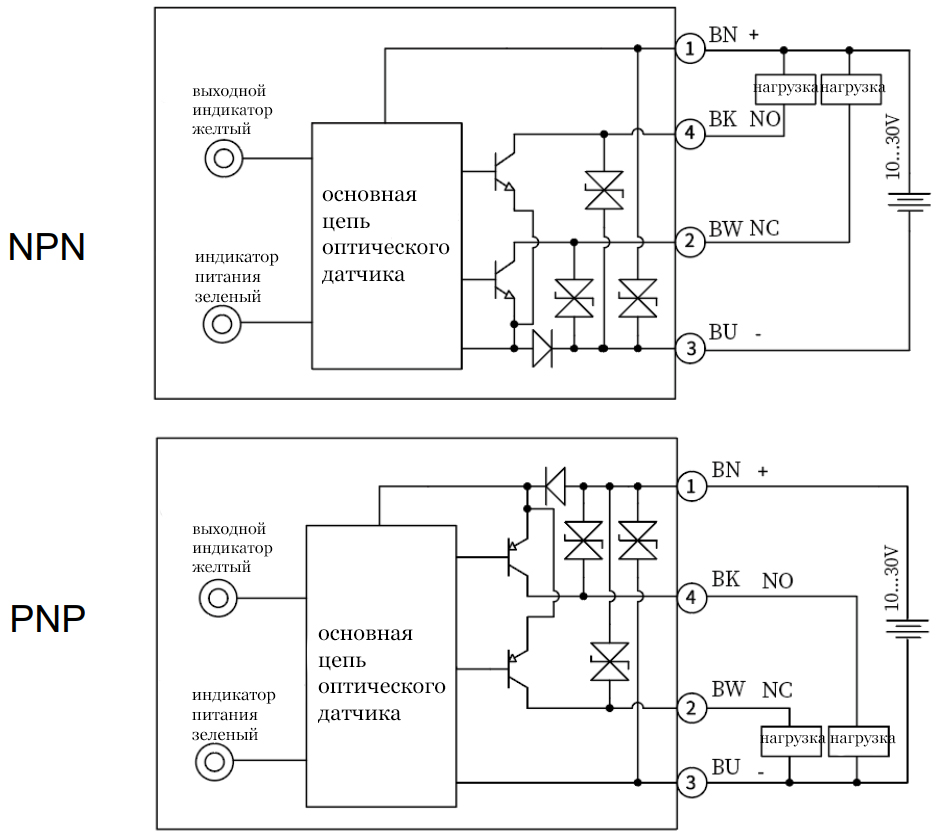
PSE-PM10DNRL-E3 Фотодатчик лазерный, отр. от рефлектора до 10м (рефл. TD-09A в комплект не входит), красный 650 нм, 32,5x10,6x20 мм, выход NPN, на свет/на затемнение, рег. чувст, питание 12-24VDC, IP67, 1000 Гц, разъём М8 4-pin

Технические характеристики

  • Потребление тока, мА 20.0
  • Страна происхождения Китай
  • Серия PSE
  • Время отклика, мс 0,5
  • Температура эксплуатации Max, °C 50.0
  • Температура эксплуатации Min, °C -10.0
  • Сертификат соответствия CE+EAC
  • Защита от короткого замыкания да
  • Защита от перегрузок по току да
  • Защита от переполюсовки да
  • Индикация зеленый/желтый светодиод
  • Корпус Прямоугольный
  • Материал корпуса Пластмасса
  • Напряжение питания, В 12-24 DC
  • Особенности Универсальный корпус, подходит для суровых условий эксплуатации, удобная и быстрая настройка
  • Соединение Разъем
  • Степень защиты IP67
  • Тип выходного сигнала NPN
  • Функция переключения NO+NC
  • Размер прямоугольного корпуса, мм 32,5x20,7x10,6
  • Макс. ток нагрузки, А 0,1
  • Резьба разъема M8
  • Частота переключения, Гц 1000.0
  • Размер светового пятна, мм 20
  • Класс лазера 1.0
  • Регулировка чувствительности Потенциометр
  • Вес, грамм 10.0
  • Длина волны, нм 650
  • Расстояние срабатывания, м 10.0
  • Тип света красный лазер
  • Функциональный принцип Рефлекторный датчик
  • Доступен поляризационный фильтр да
  • Комплектация Монтажный кронштейн
Артикул: AE99182905
11 630.00 руб
  • В наличии, шт. 7
  • Удал. склад, шт. 6

В зависимости от объема закупки предоставляются скидки.

Свяжитесь с менеджером по продажам.

Цена указана с учетом НДС

  • ОПИСАНИЕ
  • Документация раздела

PSE-PM10DNRL-E3 Фотодатчик лазерный, отр. от рефлектора до 10м (рефл. TD-09A в комплект не входит), красный 650 нм, 32,5x10,6x20 мм, выход NPN, на свет/на затемнение, рег. чувст, питание 12-24VDC, IP67, 1000 Гц, разъём М8 4-pin

Оптические датчики в пластмассовом примоугольном корпусе серии PSE:

Универсальный корпус, идеальное решение для широкого спектра задач;
IP67 подходит для суровых условий эксплуатации;
Точная и быстрая настройка расстояния срабатывания;
NO/NC переключение.
Похожие товары